Einpunkt
- Erdung
im Steuerungsbau
|
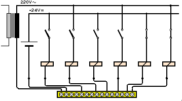
Das
ist eine einfache Schaltung mit ein paar Schützspulen und den ansteuernden
Relaiskontakten. Zur leichteren Darstellung wurde als Spannungsquelle eine
simple Batterie gezeichnet.
Auf den ersten Blick sieht es so aus, als ob die einzelnen Schützspulen überhaupt nichts miteinander zu tun hätten. Und so sollte es eigentlich auch sein.
Leider ist aber die Sache nicht ganz so einfach zu verdrahten, üblicherweise wird die „Masse“ einfach von einer Schützspulenklemme zur Klemme des nächsten Schützen weiterverdrahtet, das ist die üble Kettenverdrahtung.
Da
kann es leicht vorkommen, daß die Kette an einer Stelle unterbrochen
wird, durch einen Wackelkontakt oder bei Reparaturarbeiten. Und dann treten
schon die ersten unerklärlichen Nebeneffekte auf. Ein Schütz,
dessen Steuerkontakt oder SPS - Ausgang gar nicht eingeschaltet ist (im
Bild der zweite von rechts), zieht aus unerfindlichen Gründen an oder
bleibt zumindest erregt, weil der Strom den Ehrgeiz hat, sich einen Weg
im Stromkreis zu suchen. Und das ist noch eine der harmloseren Folgen,
es sei denn, der falsche Antrieb zerstörte die Maschine.
In Schaltschränken gibt es Schützen und Relais mit 24V= Spulen und mit 220V Spulen. Nach der einschlägigen Vorschrift müssen auch die Steuerspannungen mit einem Pol geerdet werden, daher haben die beiden Steuerspannungen ein gemeinsames Potential, die ominöse „Masse“.
Was
bei einer Unterbrechung der Massekette passiert, das sehen Sie in diesem
Bild. Der Schütz mit der 24V= - Spule wird mit dem Strom aus der 220V
Steuerspannung durchflossen. Ein Schütz mag das ja noch aushalten,
aber was sagt ein Zeitrelais oder der SPS-Ausgang dazu? Es stirbt den Heldentod.
Und niemand ist daran schuld, es war ja nicht einmal eingeschaltet! Wenn
zusätzlich der SPS-Ausgang eingeschaltet ist, dann kann der Strom
aus dem 220V Steuertrafo sogar ins 24V= Netzteil fließen und dabei
nicht nur das Netzteil, sondern viele andere Geräte zerstören,
die davon versorgt werden: SPS - Ein- und Ausgänge, Glühbirnen,
Relaisspulen, Elektronik..
.
Es ist gar nicht notwendig, daß die Kette unterbrochen wird.
Die Drähte haben ja nicht null Ohm Widerstand, daher werden in jedem
Draht mehrere Millivolt Spannung abfallen. Der Spannungsabfall in der oberen
Zuleitung ist ungefährlich, aber der Spannungsabfall in der Massekette
(die Sie sich als Widerstand mit zB. 0,2 Ohm vorstellen können) führt
dazu, daß die Masse für den benachbarten 24V= Schützen
um etliche Zehntelvolt „brummt“.
Nehmen
Sie an, daß der rechte Schütz ein großer Brummer ist,
der im Einschaltmoment über 1 A aus dem 220V Steuerspannungstrafo
zieht, dann wird die Verschleppung des Massepotentials dazu führen,
daß der Kleinschütz oder das Relais prasselt oder das Zeitrelais
umfällt! Da entstehen die eigenartigsten Latrinenparolen, wonach Gleichstromschützen
unzuverlässig seien und zum Prasseln neigen, aber in Wirklichkeit
ist nur die Murxer-Verdrahtung schuld.
Selten denkt ein Elektroinstallateur bei der Verdrahtung daran, daß sein Massedraht mit 0,5mm2 ein Witz ist, wenn so viele Schützspulen und Geräte darüber ihren Versorgungsstrom ziehen. Und es hilft auch nur wenig, wenn die Verdrahtung mit 0,75mm2 oder gar 1mm2 gemacht wird, speziell dann, wenn Sie mit einem Kurzschluß rechnen - und das müssen Sie wohl. Bei einem Kuurzschluß in der rechten Schützspule wird die "Masse" wohl nahe 110V liegen, bis die Sicherung durchschmilzt, und dann ist alles kaputt, was für 24V ausgelegt ist.
Besonders lästig ist die Verzerrung der Masse im Zusammenhang mit Meßtechnik. Leider wird immer noch Meßsignalübertragung mit 0-10V - Signalen gemacht, und da führt die Masseverschiebung oft zu erheblichen Meßfehlern. Schuld an den Meßfehlern ist selten das Meßgerät, der Wiegeverstärker oder der Lieferant der Meßgeräte, sondern der unfachmännische Aufbau und die Verkabelung des Schaltschranks mit der Anlage. Wegen dieser Erfahrungen verwenden wir (MEG) bevorzugt die 4-20mA - Technik, die auch bei einer sehr dummen Verdrahtung funktioniert. Und die Erfahrung zeigt, daß es außerordentlich dumme Verdrahtungen gibt, sogar von renommierten Firmen, die sonst nichts tun als Verteiler bauen!
Das
ist die Lösung: die Einpunkterdung. Alle Massedrähte werden
auf einen einzigen Punkt sternförmig zusammengeführt und (möglichst)
einzeln geklemmt.
Hier können Sie jeden einzelnen Masseleiter abklemmen und es wird nichts passieren, es wird keine Wirkung auf einen benachbarten Schütz haben.
In der Praxis ist es nicht möglich, eine einzige zentrale Sammelschiene für die Masse zu montieren, aber es ist wichtig, die Anzahl möglichst klein zu halten und die Masseschienen einzeln, sternförmig mit besonders dicken Leitern an die Haupt - Klemmschiene (Mp) zu verdrahten, mit besonders sauberen Klemmungen, die einen Wackelkontakt auf jeden Fall ausschließen.
Die einzelnen Sub-Masseklemmen sollten entweder nur 24V= oder nur 220V Verbraucher mit Masse versorgen, nicht gemixt (hier gezeichnet ist der gedachte Mp - Masseverteiler Mp)! Größere Verbraucher oder externe Geräte (Ventile usw.) sollten möglichst direkt an den Mp angeschlossen werden oder zumindest eine eigene Masseschiene bekommen.
Natürlich sollten auch die Ketten auf der Versorgungsseite +24V= und 220V so kurz wie möglich sein und die Zuführungen dazu sollen sternförmig mit der Hauptklemme verbunden werden. Manche Schaltschrankbauer haben ihre bösen Erfahrungen mit offenen Masseschleifen auf die Weise eingebracht, daß sie die Massekette ringförmig verdrahten. Aber das ist ja auch nur eine halbherzige Lösung, wieso nicht gleich richtig!
Glauben Sie mir, daß das Thema in der Elektronik, bei der Leiterplattenentflechtung,
noch viel heikler ist!
| DON’T EVEN THINK...
Kommen Sie ja nicht auf die Idee, das Montageblech als ideale Masseleitung zu mißbrauchen. Das Stahlblech rostet, besonders durch die elektrogalvanische Spannung zwischen Kupfer, Zinn, Messing und Eisen. Nach ein paar Jahren ist die sauberste Schraubverbindung ein halber Isolator, besonders dann, wenn auch tatsächlich dauernd ein Strom darüber rinnt. |
SCHUTZLEITER:
Wenn Sie die Masse auch mit dem Schutzleiter verbinden (Nullung), dann müssen die Schutzleiter allein aneinander verdrahtet werden und dürfen nur an EINER EINZIGEN STELLE mit der Haupt-Masseklemmschiene (Mp-Schiene) verbunden werden. Am Schutzleiter können nämlich hohe Potentiale auftreten: Bei einem Erdschluß kann der dicke Laststrom (als Fehlerstrom) über den Schutzleiter fließen und würde die Massedrähte, die nur für Steuerspannungsströme ausgelegt sind, mit hohen Spannungsabfällen belegen (bis zu 150V), und so die empfindlichen Geräte sofort zerstören. Durch einen gelb/grünen Leiter fließt in einer ordentlichen Anlage nie ein Strom! |
| Einpunkterdung und Induktionsschleifen
Wie in einem anderen Kapitel erläutert wird, sollen alle Zu- und Rückleitungen zu jedem Verbraucher tunlichst im selben Kabel oder zumindest im selben Kanal verlegt werden, um die Fläche der Stromkreise klein zu halten. Das führt dazu, daß auch die Zuleitungen (Phase, Plus) nahe an der Einpunkterdungsschiene vorbei verlegt werden müssen. Natürlich ist in einem Schaltschrank eine verdrillte Leitung nicht überall machbar und leider sind viele Geräte so dumm konstruiert, daß der Monteur die Drähte in verschiedenen Kanälen zuführen muß - oder zu müssen meint. |
Viele Techniker betrachten Schaltschränke mit einem nahezu künstlerischen Auge, sie bewundern schöne Abdeckungen und symmetrisch angeordnete Kabelkanäle. Aber das ist ein Unfug, die wirklich wichtigen Kriterien für einen störungsfreien Betrieb sind ganz andere. Bei der Abnahme überprüfen sie die Einhaltung der ISO - Richtlinien und die Drahtfarben und ähnlich unwichtiges Zeug, anstatt sich auf die Grundlagen der Elektrotechnik zu konzentrieren. Wie Sie sehen, ist ein fachmännischer Schaltschrank eben nach ganz anderen Kriterien aufgebaut als ein sogenannter "schöner Verteiler". |